Características
• Carga máxima: 15 kg/20 kg
• Admite tipos de función preestablecida de lentes
• La velocidad de giro e inclinación puede alcanzar hasta 60º/s
• Alta precisión de reinicio, hasta ±0,1º
• Adoptar material de aleación de aluminio fundido a presión
• Adopta engranajes de alta precisión y alta resistencia, autobloqueados cuando se corta la alimentación
• Ángulo de giro: 0º~360º continuo
• Clase de protección: IP66
• Función opcional: devolución de datos de posición de inclinación panorámica, distancia focal, enfoque, etc.
Especificación
| Modelo | FS-SP2515 | FS-SP2520 |
| Velocidad de rotación | Pan: 0,01º~45º/sTilt:0,01º~15º/s | Panorámica: 0,01º~20º/sTilt:0,01º~10º/s |
| Ángulo de rotación | Pan: 0º~360º continuo, Inclinación: +20º~ -60º |
| Número de preajustes | 200 |
| Precisión de posicionamiento preestablecido | ±0,1º |
| función opcional | Datos de posición de inclinación panorámica, distancia focal, etc. |
| Interruptor auxiliar | 2 grupos |
| Preajuste de lente | Soporte, con función autoadaptativa |
| Velocidad de control de la lente | La velocidad de zoom/enfoque se puede ajustar continuamente |
| crucero automático | 8 pistas (cada una con 10 presets) |
| Buscador de blancos | Se puede configurar dentro del alcance de 1 ~ 60 min. |
| Auto escáner | 1 camino |
| Protocolo | Pelco-D/P |
| Tasa de baudios | 2400/4800/9600/19200bps |
| Interfaz | RS485, admite devoluciones de consulta de ángulo (o RS422, devoluciones en tiempo real) |
| Voltaje de entrada | CA24V±20%,50/60HZ;CC28V±20% |
| El consumo de energía | ≤70W |
| temperatura de operacion | Temperatura: -25 ℃ ~ + 65 ℃, Humedad: 90 % ± 3 % RH; -40 ℃ ~ + 65 ℃ (sin condensación) |
| Temperatura de almacenamiento | -40℃~+70℃ |
| Carga maxima | 15 kg | 20 kg |
| Modo de carga | Montado en la parte superior/montado en el lateral |
| Impulsado | Impulsado por engranaje helicoidal |
| Clase de protección | IP66 |
| Peso | 12.5 kg |
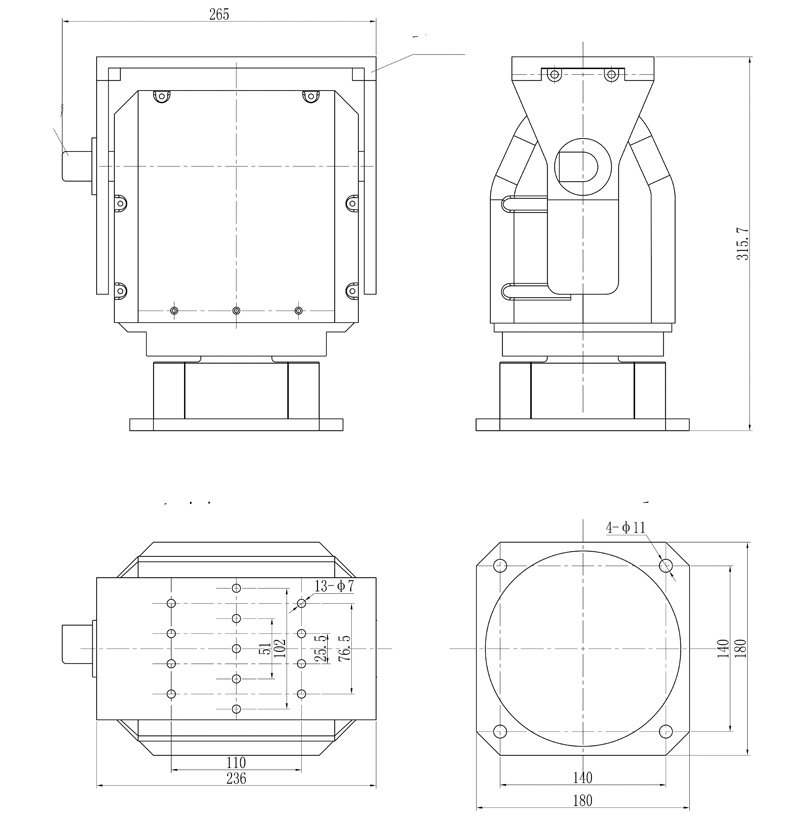
| Dimensiones | 265 mm x 180 mm x 315 mm (largo x ancho x alto). |
